- Gaines non thermorétractables à paroi mince
- Gaines thermorétractables à paroi mince avec Adhésif
- Gaines thermorétractables à paroi moyenne avec ou sans adhésif
- Autres Series des gaine thermo-rétractable
- Manchons thermorétractables d'identification
- WO-80500BK (N85) Ruban
- WO Étiquette imprimable tubes thermorétractable
- RSFR-M manchon de repérage thermorétractable
- HNF-M manchon de repérage thermorétractable
- HMS-M manchon de repérage thermorétractable
- Étiquettes d'identification
- DIN-M manchon de repérage thermorétractable
- AMS-M manchon de repérage thermorétractable
- Connecteurs séparables accessorie
- Connecteur séparable
- Matériaux résistants au feu céramique
- Rétractable à froid câble accessoires
- Les accessoires de câbles thermorétractable
- Appliqués à froid câble accessoires
- Câbles & fils
- Autres produits
Accueil » Produits » Manchons thermorétractables d'identification » AMS-M manchon de repérage thermorétractable
AMS-M manchon de repérage thermorétractable
Caractéristiques:
| Matériel | Le manchonnage doit être fabriquée à partir irradié, thermiquement stabilisée et ignifugées modifié composé de polyoléfine contenant pas de cadmium ou des halogènes dans la formulation. |
| Domaines d'application | Commerciale, environnement industriel |
| Plage de température d'utilisation | -55---+135 ℃ |
| Min. température de restauration | +85 ℃ |
| Max. température de stockage | +50 ℃ |
| Rapport de rétreint | 2:1, 3:1 |
| Couleur | Blanc, Jaune, l'autre couleur est disponible si commandées |
| Mode d'impression | Impression simple face et double a dégrossi impression les formats disponibles |
| Mode fourni | Type continu ou type de format de ladder est disponible |
| Imprimantes recommandées | Imprimante à transfert thermique |
| Rubans recommandés | Ruban de résine WO-80500BK, Noir, 100mm (largeur) * 300m (longueur) |
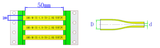
Dimensions de produit
Rapport de rétreint-2X
| Numéro de pièce | Comme fournis (mm) | Après récupération (mm) | |||
| ID(D) | Aplatir la largeur (w2) | Epaisseur double du gant | ID(d) | Simple épaisseur de paroi | |
| AMS-M-2X-1.6-50-2.5K-Y0P0O | 2.00±0.20 | 3.7±0.3 | 0.48±0.10 | ≤0.79 | 0.45±0.06 |
| AMS-M-2X-2.4-50-2.5K-Y0P0O | 2.79±0.20 | 5.0±0.3 | 0.48±0.10 | ≤1.18 | 0.49±0.06 |
| AMS-M-2X-3.2-50-2.0K-Y0P0O | 3.64±0.23 | 6.3±0.4 | 0.48±0.10 | ≤1.59 | 0.51±0.06 |
| AMS-M-2X-4.8-50-2.0K-Y0P0O | 5.26±0.25 | 8.9±0.4 | 0.49±0.10 | ≤2.36 | 0.54±0.06 |
| AMS-M-2X-6.4-50-1.5K-Y0P0O | 6.92±0.28 | 11.5±0.4 | 0.50±0.10 | ≤3.18 | 0.56±0.06 |
| AMS-M-2X-9.5-50-1.0K-Y0P0O | 10.2±0.32 | 16.7±0.5 | 0.51±0.11 | ≤4.75 | 0.59±0.06 |
| AMS-M-2X-12.7-50-1.0K-Y0P0O | 13.5±0.36 | 21.8±0.6 | 0.52±0.11 | ≤6.35 | 0.60±0.07 |
| AMS-M-2X-19-50-0.5K-Y0P0O | 20.1±0.40 | 32.2±0.6 | 0.53±0.11 | ≤9.53 | 0.62±0.07 |
| AMS-M-2X-25-50-0.5K-Y0P0O | 26.7±0.45 | 42.5±0.7 | 0.55±0.12 | ≤12.7 | 0.63±0.07 |
| AMS-M-2X-38-50-0.5K-Y0P0O- | 39.8±0.51 | 63.2±0.8 | 0.57±0.12 | ≤19.1 | 0.64±0.07 |
| AMS-M-2X-51-50-0.25K-Y0P0O | 53.0±0.56 | 83.9±0.9 | 0.58±0.13 | ≤25.4 | 0.64±0.08 |
| AMS-M-2X-76-50-0.25K-Y0P0O | 79.4±0.56 | 125.3±1.0 | 0.59±0.13 | ≤38.1 | 0.64±0.09 |
Rapport de rétreint-3X
| Numéro de pièce | Comme fournis (mm) | Après récupération (mm) | |||
| ID(D) | Aplatir la largeur (w) | Epaisseur double du gant | ID(d) | Simple épaisseur de paroi | |
| AMS-M-3X-1.6-50-2.5K-Y0P0O | 2.00±0.20 | 3.7±0.3 | 0.47±0.10 | ≤0.53 | 0.52±0.06 |
| AMS-M-3X-2.4-50-2.5K-Y0P0O | 2.79±0.20 | 5.0±0.3 | 0.47±0.10 | ≤0.79 | 0.57±0.06 |
| AMS-M-3X-3.2-50-2.0K-Y0P0O | 3.64±0.23 | 6.3±0.4 | 0.48±0.10 | ≤1.06 | 0.61±0.06 |
| AMS-M-3X-4.8-50-2.0K-Y0P0O | 5.26±0.25 | 8.9±0.4 | 0.49±0.10 | ≤1.59 | 0.67±0.06 |
| AMS-M-3X-6.4-50-1.5K-Y0P0O | 6.92±0.28 | 11.5±0.4 | 0.50±0.10 | ≤2.36 | 0.71±0.06 |
| AMS-M-3X-9.5-50-1.0K-Y0P0O | 10.2±0.32 | 16.7±0.5 | 0.52±0.11 | ≤3.18 | 0.77±0.06 |
| AMS-M-3X-12.7-50-1.0K-Y0P0O | 13.5±0.36 | 21.8±0.6 | 0.53±0.11 | ≤4.75 | 0.80±0.07 |
| AMS-M-3X-19-50-0.5K-Y0P0O | 20.1±0.40 | 32.2±0.6 | 0.55±0.11 | ≤6.35 | 0.84±0.07 |
| AMS-M-3X-25-50-0.5K-Y0P0O | 26.7±0.45 | 42.5±0.7 | 0.56±0.12 | ≤8.47 | 0.86±0.07 |
| AMS-M-3X-38-50-0. 5K-Y0P0O | 39.8±0.51 | 63.2±0.8 | 0.57±0.12 | ≤12.9 | 0.89±0.07 |
| AMS-M-3X-51-50-0.25K-Y0P0O | 53.0±0.56 | 83.9±0.9 | 0.57±0.13 | ≤17.2 | 0.90±0.08 |
| AMS-M-3X-76-50-0.25K-Y0P0O | 79.4±0.56 | 125.3±1.0 | 0.57±0.13 | ≤25.8 | 0.92±0.09 |
Informations sur le package
| Commande en tailles (AMS-M-2X/3X) | Ladder le type de format | Type continu | |
| A & B- Petite Boîte en d'emballage (PCS/ Boîte ) | A- bobine de papier d'emballage (m/ moulinet ) | B- plastique moulinet d'emballage (m/ moulinet ) | |
| Φ1.6 | 2500 | 50 | 25 |
| Φ2.4 | 2500 | 50 | 25 |
| Φ3.2 | 2000 | 100 | 25 |
| Φ4.8 | 2000 | 100 | 25 |
| Φ6.4 | 2000 | 100 | 25 |
| Φ9.5 | 1000 | 100 | 25 |
| Φ12.7 | 1000 | 100 | 25 |
| Φ19 | 500 | 100 | 25 |
| Φ25 | 500 | 100 | 25 |
| Φ38 | 500 | 50 | 25 |
| Φ51 | 250 | 50 | 25 |
| Φ76 | 250 | 50 | - |
Système de numération de partie
| Code de couleur | BL | Br | R | Or | Y | G | Blu | V | Gr | W |
| Couleur | Noire | Brun | Rouge | Orange | Jaune | Verte | Bleu | Violette | Gris | Blanc |
Remarque: jaune et blanc sont standard, l'autre couleur est disponible si commandées.

Español
Français
Deutsch
Português
English
中文